1
/
of
4
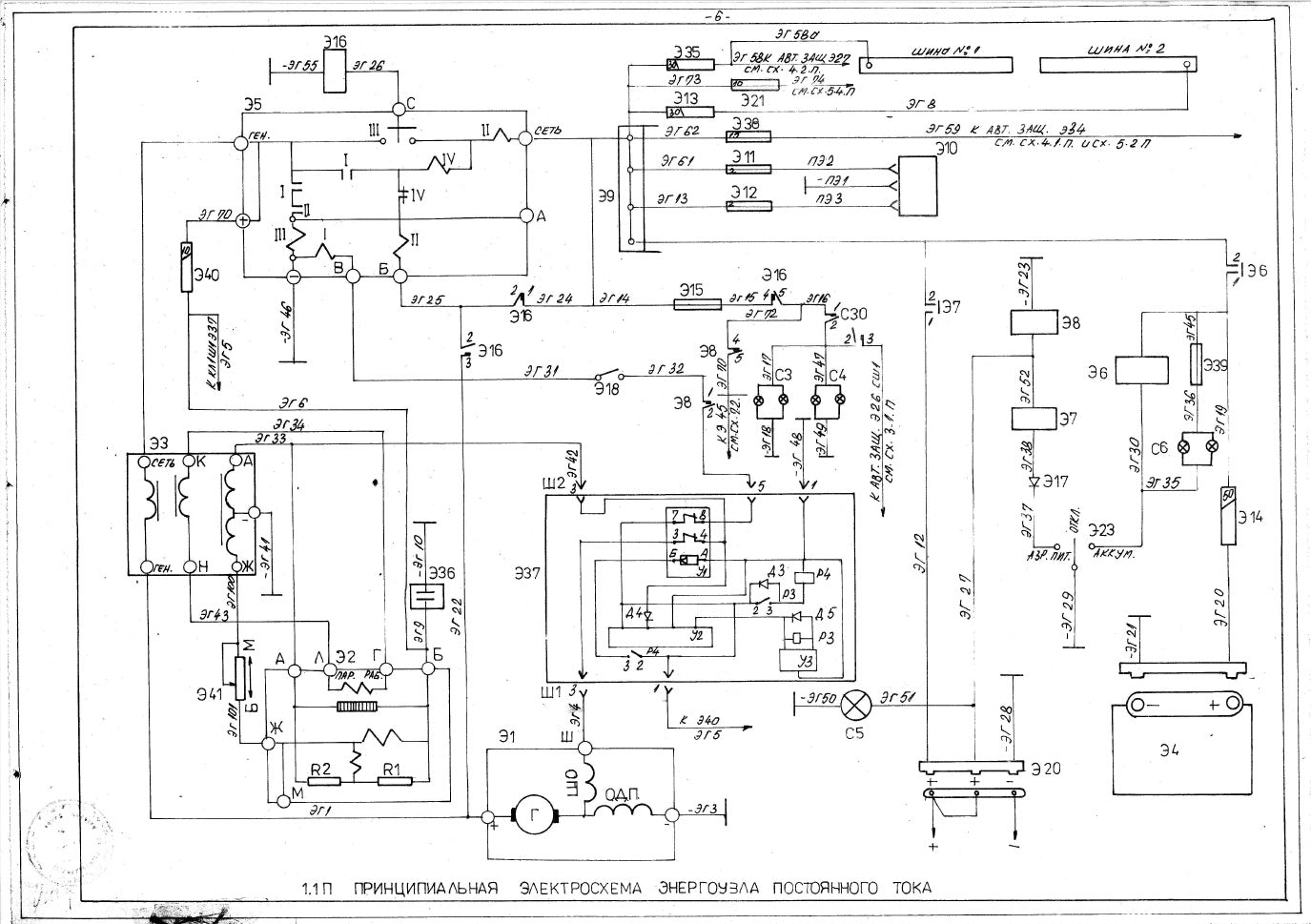
YAK 52 Electrical Schematic Manual
YAK 52 Electrical Schematic Manual
Regular price
$50.00 USD
Regular price
Sale price
$50.00 USD
Unit price
/
per
Shipping calculated at checkout.
YAK 52 Electrical Schematic Manual in pdf format
Couldn't load pickup availability
Share



